8 (800) 775 40 55
Звонок из регионов России
бесплатный!
бесплатный!
Профессиональный строительный инструмент и оборудование
Каталог инструментов
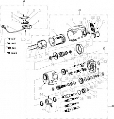
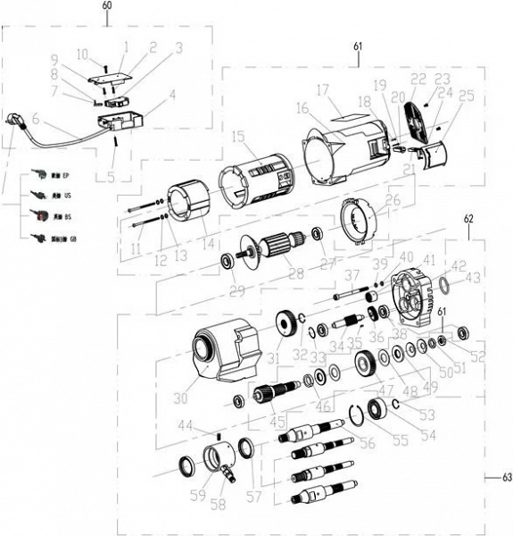
Установка алмазного бурения Saturn OB-180
Установка алмазного бурения Saturn OB-180 (Сатурн ОБ-180) предназначена для сверления круглых отверстий Ø 20 – 180 мм в бетонных, железобетонных, базальтовых, асфальтовых и других поверхностях под трубы вентиляции, теплоснабжения, водоснабжения и подобных коммуникаций.
Производитель: SATURN (САТУРН) – Россия.
Преимущества установки алмазного бурения Saturn OB-180:
- Корпус двигателя из алюминия хорошо отводит тепло во время работы
- Небольшой вес
- Рукоятка для переноса
- Поставляется в картонной коробке
Цена и технические характеристики установки алмазного бурения Saturn OB-180:
Оборудование для алмазного бурения
- Установка алмазного бурения
- Установка алмазного бурения с микроударом
- Дрель алмазного сверления
- Дрель с микроударом для алмазного бурения
- Керноотборник для асфальтобетона
- Двигатель алмазного бурения
- Двигатель алмазного бурения с микроударом
- Станина для алмазного бурения
- Станина для алмазного бурения с микроударом
- Алмазные коронки
- Доп. оборудование к технике алмазного бурения
-
Алмазные коронки по железобетону Kern Diamond Bit Concrete Premium 30 ммДиаметр: 30 ммРабочая длина: 450 ммЦена: 5 600 руб.
-
Коронка алмазная по бетону для подрозетников под микроудар Keos Pulsar M16 68/70 ммДиаметр: 68 ммРабочая длина: 60 ммЦена: 3 290 руб.
-
Алмазная коронка для сухого бурения с микроударом Адель Diamond Hit DH-D401 172 ммДиаметр: 172 ммРабочая длина: 450 ммЦена: 15 600 руб.
-
Алмазная коронка для сухого бурения с микроударом Адель Diamond Hit DH-D400 92 ммДиаметр: 92 ммРабочая длина: 450 ммЦена: 7 500 руб.
-
Алмазная коронка для сухого бурения с микроударом Адель Diamond Hit DH-D400 42 ммДиаметр: 42 ммРабочая длина: 450 ммЦена: 4 200 руб.
-
Алмазные коронки по железобетону Kern Diamond Bit Concrete Premium 122 ммДиаметр: 122 ммРабочая длина: 450 ммЦена: 13 200 руб.
-
Экструдер для пластика Weldy booster EX2Мощность: 3 кВтПроизводительность: 1,5 - 2,2 кг/чЦена: 235 314 руб.
-
Алмазная коронка для сухого бурения с микроударом Адель Diamond Hit DH-D400 76 ммДиаметр: 76 ммРабочая длина: 450 ммЦена: 6 500 руб.
Новости
-
26.11.2025Новые поступления для серьёзной работы: спираль и адаптер от Crocodile
-
21.11.2024Поступление желобонакатчиков GruvMaster - Новинка на Российском рынке!
-
27.12.2023С новым 2024 годом!
-
20.12.2022Режим работы в Новогодние праздники
-
12.10.2022ФСБ сообщила о попытке теракта с ПЗРК «Игла» в Подмосковье











Отзывы
Оставьте Ваш отзыв